Présentation du site
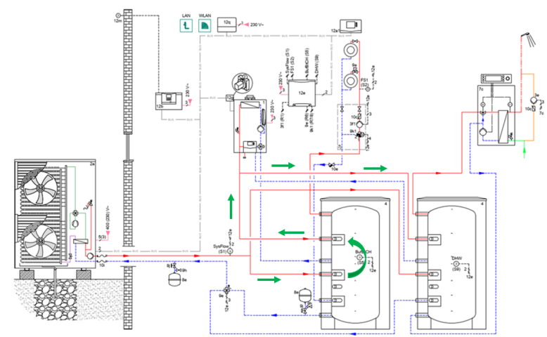
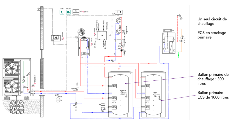
Le site de La Rochelle est une résidence de 16 logements (14 T1, 1 T2 et 1 T3) pour personnes en réinsertion gérée par Immobilière Atlantic Aménagement. Une PAC Vaillant de 12 kW (P 0/50°C) au R290 ainsi qu’une chaudière de 35 kW assurent le chauffage et l’eau chaude sanitaire. Particularité de cette installation : absence de bouclage sur l’ECS.
Le schéma hydraulique de cette réalisation est le suivant :
Résultats sur un semestre d’instrumentation
Sur le premier semestre 2025 (13/01 au 31/08 2025), l’installation présente un taux de couverture de la pompe à chaleur de 89,7% soit une économie d’énergie de 57% et une décarbonation de 80%.
Ci-dessous d’autres indicateurs clés de cette résidence en les comparant à ce qu’aurait été la même réalisation en 100% thermodynamique.

En zoomant sur la période hivernale (de mi-janvier au 15 avril) l’installation présente un taux de couverture de 87% pour un COP moyen de 2,41.
En vert le taux de couverture de la PAC, en orange celui de la chaudière. On constate que lorsque les températures extérieures sont froides la chaudière vient bien appuyer la PAC et que cet appui cesse dès lors que les températures deviennent plus clémentes.
On obtiendra un COP moyen de 3,06 pour un taux de couverture de 99% en ECS seule.
L’installation présente donc des résultats très intéressants que ce soit en hiver comme en été. L’effacement en énergie et la décarbonation promis au client sont bien au rendez-vous avec cette installation hybride.
Enseignement : Un minimum d’instrumentation est nécessaire pour vérifier le bon fonctionnement de l’installation.
Quelques capteurs sur l’installation ont permis de se rendre compte qu’en été le ballon d’énergie dédié au chauffage montait aussi en température lorsque l’installation se mettait en fonctionnement pour l’eau chaude sanitaire.
Ici le 20 juillet, (Courbe rouge), lorsque la PAC se met en fonctionnement pour produire de l’eau chaude sanitaire, le ballon d’énergie de l’ECS monte bien en température (courbe orange) ce qui est rassurant. Par contre le ballon de chauffage (courbe verte, température moyenne du ballon accu hybride) suit aussi cette montée en température, ce qui, là, est anormal.
Sur cet autre graphique, on constate que lorsque la PAC démarre en mode ECS (courbe rouge) la température de départ chauffage chaudière augmente (courbe verte en trait plein) ainsi que la température de départ ECS chaudière (courbe brune en pointillé). Pourtant la chaudière est à l’arrêt.
Cette analyse a mis en évidence une circulation parasite depuis la PAC, passant à contre courant par le ballon de chauffage pour rejoindre le ballon d’ECS.
L’installation de deux clapets anti-retours est venue mettre fin à cette circulation non souhaitée.
Ici le réchauffement du ballon de chauffage en mode ECS ne devait pas représenter une grosse perte d’énergie comme le ballon est bien isolé et qu’il ne fait que trois cents litres mais c’est quand même de l’énergie perdue.