Impression 3D et système collectif hybride : Plurial Novilia à la pointe de l’innovation

Réalisation

Mis à jour le

Note moyenne :

5.0/5 (1 avis)

ViliaSprint2 est un programme de logements sociaux innovant à plus d’un titre. Plurial Novilia, filiale du groupe Action Logement, a construit le plus grand bâtiment de logements d’Europe réalisé en impression 3D et a opté pour une solution hybride qui associe une PAC haute température à deux chaudières gaz à condensation répondant aux exigences de la RE2020 seuil 2025 ! 

Carte d'identité

Date des travaux :
Printemps 2026
Localité :
Bezannes
Type de bâtiment :
30 logements (R+2 et R+3)
Superficie :
1730 m2
Maître d'ouvrage :
Plurial Novilia
Solution retenue :
PAC Apta 27 Atlantic de 27 kW et 2 chaudières Varfree Evo 80 Atlantic de 80kW

En ce printemps 2026, Plurial Novilia est en passe d’inaugurer, sur la commune de Bezannes (Marne), la résidence ViliaSprint². Un ensemble de 30 logements sociaux, répartis sur 2 bâtiments, l’un en R+2, l’autre en R+3, répondant aux exigences du palier 2025 de la RE 2020. « Nous avons anticipé ce palier, applicable depuis le 1er janvier 2025. Le permis de construire de ce nouvel ensemble avait été obtenu 3 ans auparavant, confirme Jérôme Florentin, Directeur de la maîtrise d’ouvrage et de l’aménagement au sein de Plurial Novilia. Anticiper les réglementations nous permet d’obtenir des bâtiments plus performants, afin de réduire les charges de nos locataires et de contribuer à leur solvabilité et à leur satisfaction. Dans cet esprit, 15 % des projets que nous sommes en train de concevoir devront être conformes au palier 2028 de la RE2020 »

Pour ce bâtiment réalisé en impression 3D, Plurial Novilia a choisi une solution d'hybridation double service.
Pour ce bâtiment réalisé en impression 3D, Plurial Novilia a choisi une solution d'hybridation double service.

DEUX MODES CONSTRUCTIFS EN PARALLÈLE 

Ce souci d’innover concerne également le gros œuvre, puisque l’un des deux bâtiments – celui en R+2 – dispose d’une structure béton exécutée par impression 3D. Une technique déjà mise en œuvre 3 ans auparavant par le maître d’ouvrage sur un groupe de cinq maisons individuelles de plain-pied. Mais son utilisation sur un bâtiment collectif est une première pour le bailleur. « Nous avons constitué une équipe de partenaires, dont le fournisseur de l’imprimante 3D, afin d’utiliser cette technique sur un programme collectif. La fabrication 3D repose sur un portique métallique, muni d’une poutre à laquelle est sus pendue une tête d’impression, détaille Jérôme Florentin. Un autre partenaire a fourni la pâte de béton, qui doit être suffisamment résistante pour supporter les couches suivantes. Cette pâte de béton affiche une empreinte carbone inférieure de 30 % par rapport à un béton traditionnel. » 

L’objectif pour Plurial Novilia consiste à comparer les deux bâtiments en ce qui concerne le confort, mais aussi en matière de coûts de construction. Car le mode constructif choisi pour chaque bâtiment a conduit à des modes d’isolation différents. L’enveloppe du bâtiment en construction classique bénéficie d’une isolation thermique extérieure. Celle du bâtiment « imprimé » répond à une conception différente : chaque voile de béton faisant 16 cm d’épaisseur intègre un vide interstitiel de 20 cm, comblé à l’aide de perlite (roche volcanique très légère, à fort pouvoir isolant et réagissant bien à l’humidité). Le tout est bardé d’une peau extérieure de 8 cm.

UN MÊME SYSTÈME HYBRIDE POUR LES DEUX BÂTIMENTS 

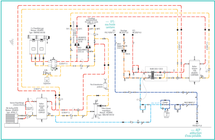
Pour la production de chauffage et d’ECS, différentes solutions ont bien été étudiées et comparées, après avoir étudié l’hypothèse d’un chauffage électrique direct associé à des ballons thermodynamiques individuels ainsi qu’une solution 100 % PAC. C’est finalement une solution hybride qui a été choisie, notamment pour sa versatilité, garante de la continuité de service. « Nous connaissions l’hybridation, sans l’avoir encore utilisée en logement neuf, précise Jérôme Florentin. En travaillant avec les équipes de GRDF, nous avons opté pour cette solution, qui nous permet, en période de maintenance sur la PAC, de basculer sur les chaudières. En ce qui concerne le confort pour les utilisateurs, c’est un véritable atout ». Les deux bâtiments sont alimentés par une seule et même chaufferie, en extérieur, qui abrite une PAC air/eau haute température de 27 kW, couplée à un ballon tampon de 500 l, ainsi que deux chaudières en cascade de 80 kW chacune. « Le local technique extérieur est entouré de grilles acoustiques, signale Édouard Angel, gérant du bureau d’études thermiques BeLeeV. Les murs et le plafond ont été traités par des matériaux acoustiques ». 

Schéma de principe
Schéma de principe

DES PAC QUI ASSURENT AUSSI L’ECS 

Le mode d’hybridation choisi consiste à optimiser le rendement de la PAC haute température en la faisant fonctionner 100 % du temps. Cette dernière participe notamment à la production d’ECS. Les chaudières gaz interviennent en complément, lors de besoins importants mais ponctuels. « Nous avons travaillé en collaboration avec Atlantic pour trouver le bon équilibre entre la puissance et le nombre de PAC, le volume de stockage et le complément apporté par les chaudières gaz », indique Édouard Angel. « Le dimensionnement de l’installation s’est fait en cohérence avec les besoins thermiques des bâtiments (chauffage et ECS), dans les limites fixées par la réglementation », complète Vincent Lascaux, responsable prescription résidentiel et collectif au sein du groupe Atlantic, fournisseur des équipe ments. Soit 96 kW thermiques pour le chauffage et 71 kW pour l’ECS ». Verdict l’an prochain, après une première saison de chauffe.

Ma note :